熱門關鍵詞:
自力式壓力調節閥也叫“控制閥”,是一種無需外來能源,依靠介質自身壓力、溫度或流量變化,按預先設定值,進行自動調節的控制裝置。它集控制、執行諸多功能于一身,自成一個獨立的儀表控制系統。集變送器、控制器及執行機構的功能于一體,不同于一般含義上的控制閥。

ZZYP型自力式壓力調節閥是不需要任何外加能源,利用介質自身能量而實現自動調節的執行器產品,該產品大特點是能在無電、無氣的場所工作,同時又節約了能源,壓力設定值在運行中可隨意調整。由于它無需外來能源,產品結構簡單,使用方便,維護工作量少等優點,特別適用于城市供熱、供暖及沒有供電、供氣又需控制的場合。自力式壓力調節閥是自成一體的壓力控制器閥門,一般來講,介質壓力會隨著介質流量的變化而變化,當介質流量發生變化時,為保證壓力恒定,則需要自力式壓力調節閥來控制。
一、自力式壓力調節閥的分類。
1.按閥后、閥前控制分為:自力式閥后(減壓)控制閥、自力式閥前(泄壓)控制閥。
2.按是否帶指揮器分為:
a.直接作用型自力式調節閥
通過介質本身直接控制閥門,達到調壓的作用,有閥后取壓與閥前取壓兩種形式。閥后取壓是保持閥后的壓力在設定范圍內,達到閥后減壓的功效;閥前取壓是保持閥前的壓力在設定范圍內,達到閥前泄壓的功效。
b.指揮器操作型自力式調節閥
指揮器操作型調節閥是通過兩個閥門之間的相互控制,來達到自動調壓的作用。
二、工作原理。
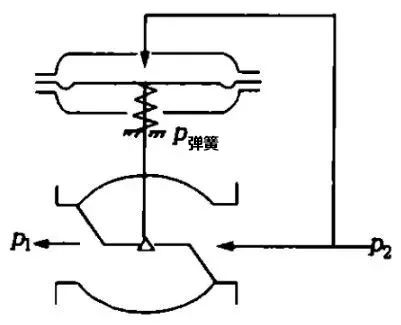
1. 自力式閥后壓力調節的工作原理(見下圖)

閥前壓力P?經過閥芯、閥座的節流后,變為閥后壓力P?。P?經過管線輸入上膜室內作用在頂盤上,產生的作用力與彈簧的反作用力相平衡,決定了閥芯、閥座的相對位置,控制閥后壓力。當P?增加時,P?作用在頂盤上的作用力也隨之增加。此時,頂盤上的作用力大于彈簧的反作用力,使閥芯關向閥座的位置。這時,閥芯與閥座之間的流通面積減少,流阻變大,P?降低,直到頂盤上的作用力與彈簧反作用力相平衡為止,從而使P?降為設定值。同理,當P?降低時。作用方向與上述相反,這就是閥后壓力調節的工作原理。
2.自力式閥前壓力調節的工作原理(見下圖)

自力式壓力調節閥與控制閥的區別主要在于控制閥既需要外界能源(如電源或氣源 )做驅動能,又需要接受外來控制儀表信號才能改變閥內截流介質相對位置,從而實現改變流體流量。而自力式壓力調節閥則既不需外來能源,又不需要接受外來控制儀表信號,僅靠被調介質的壓力信號,便可實現壓力調節。
三、主要特點
1.自力式壓力調節閥無需外加能源,能在無電無氣的場合工作,既方便又節約能源;
2.壓力分段范圍細且互相交叉,調節精度高;
3.壓力設定值在運行期間可連續設定;
4.對閥后壓力調節,閥前壓力與閥后壓力之間比為10:1~10:8;
5.橡膠膜片式檢測,執行機構檢測精度高、動作靈敏;
6.采用壓力平衡機構,使調節閥反應靈敏,控制精卻。
上一篇新聞:【圖】電動通風蝶閥用途及特點
下一篇新聞:通風蝶閥安裝使用說明